宇通產品
Products List聯系我們
Contact Us總經理 :陸文光 13906123780
銷售副總:查永強 13775013377
電話:0519-88908088
外貿部:0519-88901088 67892070
傳真:0519-88902649
網址:www.r6889.cn
郵箱:yutong@china-yutong.com



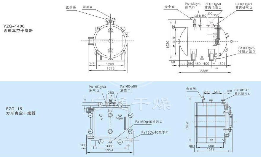
YZG/FZG系列真空干燥機
詳細說明
YZG/FZG系列真空干燥機屬于靜態真空干燥機,該干燥設備將被干燥物料處于真空條件下進行加熱,并利用真空泵進行抽氣抽濕,使工作室處于真空狀態,物料的干燥速率大大加快,同時也節省了能源。如采用冷凝器,物料中的溶劑可通過冷凝器加以回收,如溶劑為水,可不用冷凝器,節省能源投資。
設備特點:
7、采用冷凝器,可有效回收物料中的溶劑。
該設備適用于在高溫下易分解、聚合和變質的熱敏性物料的低溫干燥,被廣泛地采用在制藥、化工、食品、電子等行業。
規格/名稱 | YZG-600 | YZG-800 | YZG-1000 | YZG-1400A | FZG-10 | FZG-15 | FZG-20 |
干燥箱內尺寸(mm) | Ф600×976 | Ф800×1247 | Ф1000×1527 | Ф1400×2054 | 1500×1060×1220 | 1500×1400×1220 | 1500×1800×1220 |
干燥箱外尺寸(mm) | 1135×810× | 1700×1045× | 1693×1190× | 2386×1675× | 1513×1924× | 1513×1924× | 1513×1924× |
烘架層數 | 4 | 4 | 6 | 8 | 5 | 8 | 12 |
層間距離(mm) | 82 | 82 | 102 | 102 | 122 | 122 | 122 |
烘盤尺寸(mm) | 310×600× | 520×410× | 520×410× | 460×640× | 460×640× | 460×640× | 460×640×45 |
烘盤數 | 4 | 8 | 12 | 32 | 20 | 32 | 48 |
烘架管內使壓(MPa) | ≤0.784 | ≤0.784 | ≤0.784 | ≤0.784 | ≤0.784 | ≤0.784 | ≤0.784 |
烘架使用溫度(℃) | 35-150 | 35-150 | 35-150 | 35-150 | 35-150 | 35-150 | 35-150 |
箱內空載真空度(MPa) | -0.09~0.096 | ||||||
在-0.1MPa,加熱溫度110oC時,水的氣化率 | 7.2 | 7.2 | 7.2 | 7.2 | 7.2 | 7.2 | 7.2 |
用冷凝器時,真空泵型號,功率(kw) | 2X-15A | 2X-30A | 2X-30A | 2X-70A | 2X-70A | 2X-70A | 2X-90A |
不用冷凝器時,真空泵型號,功率(kw) | SK-0.8 | SK-2.7 | SK-3 | SK-6 | SK-3 | SK-6 | SK-6 |
干燥箱重量(kg) | 250 | 600 | 800 | 1400 | 1400 | 2100 | 3200 |
注:水環式真空泵與機械增壓聯用,以提高真空度。
4、本公司設備對用戶實行質量三保,配件長期提供,敬請用戶放心。
ZG方形真空干燥機合作客戶
合肥旭陽鋁顏料有限公司 | 百瑞源枸杞股份有限公司 |
北京斯利安藥業有限公司滄州分公司 | 四川新華康生物科技有限公司 |
黑河恒遠泰隆經貿有限公司 | 安慶市中創工程技術有限責任公司 |
宜昌東陽光制藥有限公司 | 天津信誠康達藥業有限公司 |
楚雄惠康農業科技有限公司 | 山東藍鶴生物科技有限公司 |
河北德隆泰化工有限公司 | 海口市制藥廠有限公司 |
安徽天易金屬新材料有限公司 | 河北華清光電材料有限公司 |
上海索康醫用材料有限公司 | 澎尚醫藥(杭州)有限公司 |
湖北諾克特藥業股份有限公司 | 珠海金玖制藥有限公司 |
寧波天皓生物科技有限公司 | 大連雙硼醫藥化工有限公司 |
上海現代哈森(商丘)藥業有限公司 | 山東友道化學有限公司 |
長治市元延醫藥科技有限公司 | 珠海保稅區麗珠合成制藥有限公司 |
福建紫杉園生物有限公司 | 李錦記(新會)食品有限公司 |
YZG圓型真空干燥機合作客戶
珠海金鴻藥業股份有限公司 | 珠海保稅區麗珠合成制藥有限公司 |
珠海金玖制藥有限公司 |